网站首页
开云·kaiyun风采
开云·kaiyun介绍
开云·kaiyun文化
董事长致辞
产品中心
开云·kaiyun荣誉
新闻资讯
公司新闻
行业资讯
社会公益
工程案例
售后服务
联系我们
交流测-升压逆变一体仓
所属分类:
特点概述
详情介绍
产品特点
IP54防护等级
施工容易、安装简单
可定制开发
可适用多种类型配置
可靠性和可维护性高
应用场景
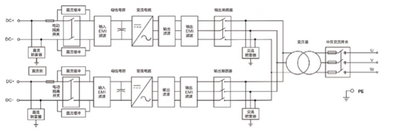
产品拓扑图
推荐产品
煤矿中水回收发电系统
1500V储能电池集成系统
我们认真聆听每一位客户的声音